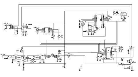
回路と基板設計を行いました。
回路は、昔作ったWVU-1103 CB無線機のものを流用しています。簡単にまとめると、
●受信アンプ:2SK291を手動で利得調整できるようにしました。実験では、+30から-50dBまで可変できるので、これでやってみます。不足する場合は、外付けATTを設けることにします。
●IFフィルター:オリジナルは水晶だったのですが、基板面積が足りなくなったのでセラミックのAM用(455kHz)にしました。
●局発:PLLのSi5351です。局発とDSP用のクロックを発生します。
●復調:AM DSPラジオのICです
●表示機:1.5インチのものを使います。将来的には方位角表示などつけたいです

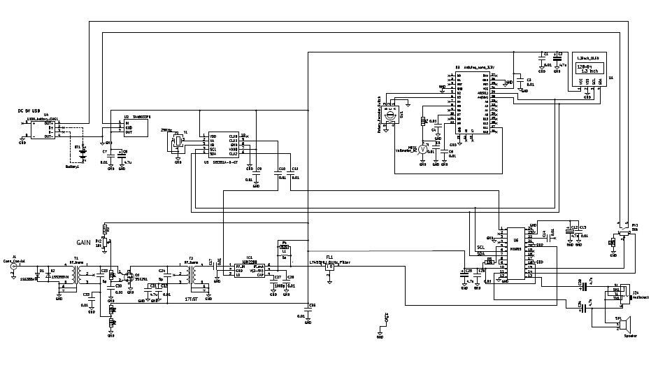
基板は、こんな感じです。アンテナ用のコイル部分の基板も同居させました。JLCPCBに発注しましたが、Vカットを頼むと追加費用が高いので、粗いミシン目で。試作なので自分で電ノコでカットすることで5枚で送料込みでUS3.2ドルですみます。安くて助かります。

基板が届くまで、方位角のセンサーなど調べたいと思います
回路は、昔作ったWVU-1103 CB無線機のものを流用しています。簡単にまとめると、
●受信アンプ:2SK291を手動で利得調整できるようにしました。実験では、+30から-50dBまで可変できるので、これでやってみます。不足する場合は、外付けATTを設けることにします。
●IFフィルター:オリジナルは水晶だったのですが、基板面積が足りなくなったのでセラミックのAM用(455kHz)にしました。
●局発:PLLのSi5351です。局発とDSP用のクロックを発生します。
●復調:AM DSPラジオのICです
●表示機:1.5インチのものを使います。将来的には方位角表示などつけたいです

基板は、こんな感じです。アンテナ用のコイル部分の基板も同居させました。JLCPCBに発注しましたが、Vカットを頼むと追加費用が高いので、粗いミシン目で。試作なので自分で電ノコでカットすることで5枚で送料込みでUS3.2ドルですみます。安くて助かります。

基板が届くまで、方位角のセンサーなど調べたいと思います
コメント